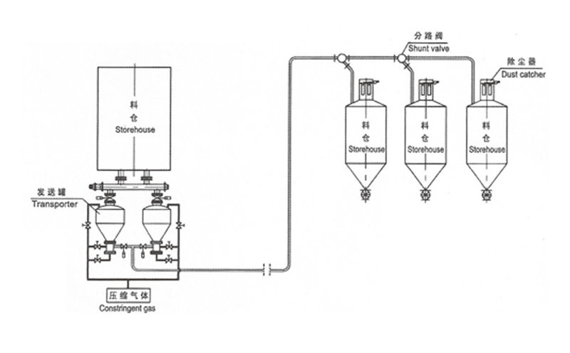
一、粉體輸送系統系統工作原理
正壓密相氣力輸送系統是利用羅茨鼓風機產生的正壓空氣流為輸送動力,把旋轉供料器從下料斗中物料源源不斷供給下來的物料輸送到后續的儲料倉中。儲料倉裝有倉頂除塵裝置,使輸送到儲料倉中的物料料氣分離。
粉體輸送系統整個系統由羅茨鼓風機、手動插板閥、旋轉供料裝置、文丘里噴射裝置、輸送管道、管道分路閥、以及儲料倉、倉頂除塵裝置、電氣控制系統和相關的附助設置組成。
粉體輸送系統系統工作時啟動羅茨鼓風機,由其產生高壓柱狀空氣流,高壓柱狀空氣流經過文丘里噴射泵,內部產生一個負壓,使旋轉供料器供給下來的物料被及時吸入文丘里噴射器的噴射口。
物料由經輸送管道輸送至儲料倉。然后儲料倉頂部安裝的倉頂除塵器使物料與輸送氣流分離,剩余的氣流及時排出室外,也避免現場產生太多的粉塵。

二、粉體輸送系統設備維護
1、羅茨風機:羅茨風機使用一定時間后應及時給軸承中加入相應的潤滑油,使用一段時間后要及時更換齒輪油。
2、管道分路閥:其工作時動作氣缸產生的動力使其內部的球閥切換方向,完成相應的管道換向功能,其換向時必須相應輸送過程已經停止,避免輸送過程正在進行,突然換向使其換向,這樣換向閥受到的沖擊比較大,容易卡死,且氣缸受到的損傷也比較大。如果氣缸動作失靈,應檢查相應的氣路是否通暢,氣壓是否達到相應的工作要求。
3、旋轉供料器:其工作時由電機產生的動力帶動其內部的供給葉片旋轉,把上部的物料源源不斷的向下部輸送。葉片與殼體之間的間隙≤0.1mm;
密封性能極好,且由耐磨材料制成。如果長時間工作,耐磨片已經磨損,影響其工作,應把原來的耐磨片拆下,更換新的耐磨片,使其工作時始終保持氣力密封。
4、輸送管道連接牢固,整個輸送管道安裝完畢后,要做相應的耐壓試驗,確認其連接處無漏氣、跑氣現象。
5、手動滑板閥要保持動作靈活,定期把上面的蓋板拆開,在相應的絲桿上加潤滑油,清除絲桿上的積物,使其轉動順滑。
6、倉頂除塵器:經過長期工作后要及時更換除塵袋,防止除塵袋空隙堵塞后影響工作效果。
